Screwdown System

SSIPL HI-RIB Sheet Profile

Metals panels are the most attractive features of Metal Building System, having contributed mightily for the growing popularity of the Metal Buildings. The term “Panel” in this context refers to the metal skins used as roof and wall panels, interior roof and wall liners, partition panels, Fascia Panels, soffit panels etc. SSIPL roof systems can be used as single skin roof or wall cladding or can be used in combination with advanced multi—layered insulated systems to give optimal thermal and acoustic characteristics. They can also be combined with other cladding systems on the inside to form a Sandwich panel System.

From Industrial & Infrastructure projects to commercial Developments, malls, offices, and homes, SSIPL offers several systems for structural and architectural roof and wall cladding applications. All the panels are available in Galvalume and Galvanised steel substrates and in premium color coatings viz. Architectural Polyester, Siliconised Polyester or Floropolymer, for permanent appearance. All the roof and wall coverings are supplied with custom accessories such as flashings, cappings, trims, Fasteners etc. which are formed out of the same substrates and coatings as the roof and wall covering panels.

SSIPL HI-RIB Sheet Profile

SSIPL DECK Sheet Profile

SSIPL Roof & Wall Cladding

SRS/ SWS, a pierced fixed roof and wall covering system, consists of structurally- engineered profiled panels that are available in single length (up to 12 m) and are fixed by means of self-drilling fasteners. It can be used for roof slopes as low as 1 in 10. SRS roofing/ cladding panels can be used as internal liners for double —skin roof and wall construction, with our without insulation. Roof curved panels are also offered for special architectural requirements.

SSIPL DECK Sheet Profile

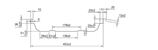
Trapezoidal Metal Profile sheets with strong and reliable shear bond performance which is augmented by cross embossing located in the profile. The composite floor profile offers the ultimate in the light weight steel decking which reduced concrete usage to provide a cost effective and alternative floor solution that easy to install.

SRSI HI-RIB Sheet Profile

SRSI Deck Sheet Profile

SRSI Standing Seam Sheet Profile